IC 4029SC Datasheet: Your Complete Guide

D.Expipoint 13 views
IC 4029SC Datasheet: Your Complete Guide

IC 4029SC Datasheet: Your Complete Guide

Hey guys! Ever found yourself scratching your head, wrestling with datasheets, and feeling like you’re trying to decipher ancient hieroglyphs? Well, today, we’re diving deep into the world of the IC 4029SC . This guide is designed to be your trusty companion, breaking down everything you need to know about this versatile little chip. No more datasheet nightmares – let’s get started!

What is the IC 4029SC?

Let’s start with the basics, shall we? The IC 4029SC is a synchronous up/down counter . Okay, that might sound like jargon, so let’s unpack it. Essentially, this integrated circuit is designed to count – either upwards or downwards – in sync with a clock signal. It’s a 4-bit binary/decade counter, meaning it can count in binary (0 to 15) or in BCD (Binary-Coded Decimal, 0 to 9). Think of it as a tiny, electronic abacus that can handle different counting systems. This makes it incredibly useful in a variety of applications, from digital clocks to frequency dividers.

Now, why should you care? Well, if you’re into electronics, robotics, or any kind of digital logic design, understanding counters like the IC 4029SC is crucial. They form the backbone of many sequential logic circuits. Imagine trying to build a digital clock without a counter – it would be a nightmare! The IC 4029SC simplifies the process, providing a reliable and easy-to-use solution for counting applications. Plus, it’s a classic chip, so learning about it gives you a solid foundation for understanding more advanced counters and digital circuits.

The IC 4029SC is part of the CD4000 series, a family of CMOS (Complementary Metal-Oxide-Semiconductor) logic gates and integrated circuits. CMOS technology is known for its low power consumption and high noise immunity, making these chips ideal for battery-powered devices and applications where signal integrity is critical. In practical terms, this means your circuits will be more efficient and less susceptible to interference. Who doesn’t want that, right?

In summary, the IC 4029SC is a synchronous, versatile, and reliable counter that’s essential for anyone working with digital logic. It’s a building block that can be used in countless projects, and mastering its use will significantly expand your electronics toolkit. So, stick around as we delve deeper into its features, pinout, and applications!

Key Features of the IC 4029SC

Alright, let’s get into the nitty-gritty details about what makes the IC 4029SC tick. Knowing the key features will help you understand its capabilities and how to best utilize it in your projects. Here’s a breakdown of the essential characteristics:

  • Synchronous Operation: This means all the flip-flops inside the IC change state simultaneously, triggered by the clock signal. This synchronous nature ensures that the counting is precise and predictable, avoiding race conditions that can occur in asynchronous counters. Essentially, everything happens in lockstep, making the counter more reliable and easier to design with.
  • Up/Down Counting: The IC 4029SC can count in both directions – upwards (incrementing) and downwards (decrementing). This is controlled by a dedicated Up/Down control pin. This bidirectional capability adds flexibility to your designs, allowing you to easily implement counting sequences that require both increasing and decreasing values. For example, you could use it in a system that tracks the number of items in stock, increasing the count when new items arrive and decreasing it when items are sold.
  • Binary/Decade Counting: As mentioned earlier, the IC can operate in either binary (0 to 15) or decade (BCD, 0 to 9) mode. The choice is determined by the Binary/Decade control pin. This dual-mode functionality makes the IC 4029SC incredibly versatile, as it can be adapted to various counting requirements. Binary mode is ideal for general-purpose counting, while decade mode is perfect for applications that require displaying numerical values in a human-readable format, such as digital displays.
  • Carry/Borrow Output: The IC provides a Carry output in the binary mode and a Borrow output in the decade mode. These outputs signal when the counter has reached its maximum or minimum value, respectively. The Carry output goes high when the counter rolls over from 15 to 0 in binary mode, while the Borrow output goes low when the counter rolls under from 0 to 9 in decade mode. These outputs can be cascaded to connect multiple IC 4029SC chips together to create counters with larger bit widths.
  • CMOS Technology: Being a part of the CD4000 series, the IC 4029SC utilizes CMOS technology. This results in low power consumption, high noise immunity, and a wide operating voltage range (typically 3V to 15V). The low power consumption makes it suitable for battery-powered applications, while the high noise immunity ensures reliable operation in noisy environments. The wide operating voltage range provides flexibility in power supply design.
  • Reset Input: The IC includes a Reset input that allows you to asynchronously reset the counter to zero. This is useful for initializing the counter or for restarting a counting sequence. When the Reset input is high, all the counter outputs are immediately set to low, regardless of the clock signal or other control inputs.

Understanding these features is crucial for effectively using the IC 4029SC in your projects. Each feature adds to its flexibility and applicability, making it a valuable component in any digital designer’s toolkit.

Pinout and Configuration

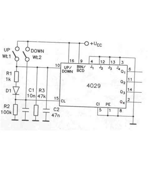
Okay, so you know what the IC 4029SC does and its key features. Now, let’s talk about the physical layout – the pinout. Knowing the function of each pin is essential for connecting the IC correctly and getting it to work as expected. Here’s a breakdown of the pinout:

  1. Pin 1 (Carry Out / Borrow Out): This pin serves a dual purpose. In binary mode, it acts as the Carry output, going high when the counter rolls over from 15 to 0. In decade mode, it functions as the Borrow output, going low when the counter rolls under from 0 to 9. This output is crucial for cascading multiple counters to create larger counting ranges.
  2. Pin 2 (Clock Enable): This input enables or disables the clock signal. When Clock Enable is low, the counter advances or decrements on each clock pulse. When Clock Enable is high, the clock signal is ignored, and the counter holds its current value. This is useful for pausing the counting sequence or synchronizing it with other events.
  3. Pin 3 (Up/Down): This input determines the counting direction. When Up/Down is low, the counter counts upwards. When Up/Down is high, the counter counts downwards. This control input provides the flexibility to implement bidirectional counting sequences.
  4. Pin 4 (Binary/Decade): This input selects the counting mode. When Binary/Decade is low, the counter operates in binary mode (0 to 15). When Binary/Decade is high, the counter operates in decade mode (BCD, 0 to 9). This allows you to adapt the counter to different counting requirements.
  5. Pin 5 (Reset): This input asynchronously resets the counter to zero. When Reset is high, all the counter outputs (QA, QB, QC, QD) are immediately set to low, regardless of the clock signal or other control inputs. This is useful for initializing the counter or restarting a counting sequence.
  6. Pin 6 (Clock): This is the clock input. The counter advances or decrements on each rising edge of the clock signal, provided that the Clock Enable input is low. The frequency of the clock signal determines the counting speed.
  7. Pin 7 (VSS): This is the ground (0V) connection. It provides the reference point for all the signals in the IC. Make sure to connect this pin to ground for proper operation.
  8. Pins 8-11 (QA, QB, QC, QD): These are the counter outputs. QA is the least significant bit (LSB), and QD is the most significant bit (MSB). These outputs provide the current count value in binary or BCD format, depending on the selected counting mode.
  9. Pin 12 (Not Used): This pin is typically not connected.
  10. Pin 13 (Not Used): This pin is typically not connected.
  11. Pin 14 (Carry In): This input is used for cascading multiple counters. It’s connected to the Carry Out / Borrow Out of the previous counter in the chain. This allows you to create counters with larger bit widths.
  12. Pin 15 (Clock Enable): This input enables or disables the clock signal. When Clock Enable is low, the counter advances or decrements on each clock pulse. When Clock Enable is high, the clock signal is ignored, and the counter holds its current value. This is useful for pausing the counting sequence or synchronizing it with other events.
  13. Pin 16 (VDD): This is the positive power supply connection. It provides the power for the IC to operate. The typical operating voltage range is 3V to 15V. Make sure to stay within this range to avoid damaging the IC.

Understanding the pinout is crucial for connecting the IC 4029SC correctly in your circuits. Always double-check your connections before applying power to avoid any damage. With the pinout in mind, you’re now ready to start building some exciting projects!

Practical Applications of the IC 4029SC

Now that we’ve covered the basics, features, and pinout, let’s explore some real-world applications of the IC 4029SC . Understanding how this IC can be used in different scenarios will spark your creativity and give you ideas for your own projects.

  • Digital Clocks: One of the most common applications of counters like the IC 4029SC is in digital clocks. By using the IC to count seconds, minutes, and hours, you can create a simple and accurate timekeeping device. The decade counting mode is particularly useful for displaying the time in a human-readable format. You can cascade multiple IC 4029SC chips to count larger units of time, such as days or years.
  • Frequency Dividers: The IC 4029SC can be used to divide a clock signal by a specific factor. This is useful in many electronic circuits where different components require different clock frequencies. For example, you can use the IC to divide a high-frequency clock signal down to a lower frequency for a microcontroller or other digital device. By connecting the Carry/Borrow output back to the Clock Enable input, you can create custom division ratios.
  • Event Counters: You can use the IC 4029SC to count events, such as the number of button presses, the number of objects passing through a sensor, or the number of cycles in a machine. The counter increments each time an event occurs, allowing you to track the total number of events. The Reset input can be used to reset the counter to zero at the beginning of a counting sequence.
  • Position Encoders: In robotics and automation, the IC 4029SC can be used in conjunction with rotary encoders to track the position of a motor or other moving part. The encoder generates pulses as the motor rotates, and the counter increments or decrements based on the direction of rotation. This allows you to precisely control the position of the motor.
  • Timers: The IC 4029SC can be used as a timer to measure specific time intervals. By using a stable clock signal and counting the number of clock cycles, you can create a timer with a precise resolution. The Carry/Borrow output can be used to trigger an event when the timer reaches a specific value.
  • Game Development: In retro game consoles and arcade machines, the IC 4029SC can be used for various purposes, such as generating sound effects, controlling sprite animation, and implementing game logic. Its versatility and ease of use make it a valuable component in these systems.

The applications of the IC 4029SC are vast and varied. By understanding its features and capabilities, you can adapt it to countless projects, from simple counting circuits to complex digital systems. So, go ahead and experiment – you might be surprised at what you can create!

Tips and Tricks for Working with the IC 4029SC

Before you jump into your projects, here are some handy tips and tricks to keep in mind when working with the IC 4029SC :

  • Decoupling Capacitors: Always use decoupling capacitors (typically 0.1uF) close to the VDD and VSS pins of the IC. These capacitors help to filter out noise from the power supply and ensure stable operation. Place them as close as possible to the IC to minimize inductance.
  • Proper Grounding: Ensure that your circuit has a solid ground connection. A poor ground can lead to noise and instability, which can cause the counter to malfunction. Use a ground plane or a star grounding configuration to minimize ground loops.
  • Clock Signal Integrity: The clock signal is critical for the proper operation of the counter. Make sure the clock signal is clean and stable, with sharp rising and falling edges. Use a crystal oscillator or a function generator to generate a precise clock signal. Avoid using noisy or distorted clock signals.
  • Input Protection: The inputs of the IC 4029SC are sensitive to electrostatic discharge (ESD). Handle the IC with care and avoid touching the pins directly. Use an ESD-safe workstation and wear an anti-static wrist strap when working with the IC.
  • Cascading Counters: When cascading multiple IC 4029SC chips to create larger counters, pay attention to the timing delays. The Carry/Borrow output of one counter must be connected to the Carry In of the next counter. The delay through each counter can accumulate, limiting the maximum counting speed. Consider using faster counters or look-ahead carry techniques for high-speed applications.
  • Pull-up/Pull-down Resistors: For unused inputs, it’s good practice to connect them to either VDD or VSS through pull-up or pull-down resistors. This prevents the inputs from floating and reduces the risk of noise and instability. A typical value for the pull-up/pull-down resistors is 10k ohms.
  • Testing and Debugging: When testing your circuit, start with a simple configuration and gradually add complexity. Use an oscilloscope or a logic analyzer to monitor the signals and verify that the counter is operating correctly. If you encounter problems, double-check your connections, power supply, and clock signal.

By following these tips and tricks, you can avoid common pitfalls and ensure that your IC 4029SC projects are successful. Remember to always consult the datasheet for specific recommendations and limitations.

Conclusion

So there you have it – a comprehensive guide to the IC 4029SC ! We’ve covered everything from its basic functionality and key features to its pinout, practical applications, and helpful tips and tricks. By now, you should have a solid understanding of this versatile little chip and how to use it in your own projects.

The IC 4029SC is a valuable tool for anyone working with digital logic. Its synchronous operation, up/down counting capability, binary/decade mode, and CMOS technology make it suitable for a wide range of applications, from digital clocks to frequency dividers to event counters. Whether you’re a seasoned electronics enthusiast or just starting out, mastering the IC 4029SC will undoubtedly expand your skills and open up new possibilities.

Now it’s your turn! Grab an IC 4029SC , gather your components, and start experimenting. The world of digital logic is full of exciting possibilities, and the IC 4029SC is a great place to start. Happy tinkering, and have fun creating awesome projects!